【 微信掃碼谘詢 】
小型で大容量のトルクを伝達する製品(pǐn)。サイドカバー延長軸形。
【特長】
・軸心のくい違いや振れがある程度あっても、原動側のトルクを確実に伝達。
・使用中連結二軸が傾いても、自動的に調節吸収し、軸や軸受に無理な荷重がかからず、機械を保(bǎo)護。
・クラウニング歯車による可撓継手なので、耐摩耗性が大きく堅(jiān)牢。
・センターとケースが分かれていて、取付け、取外しが容易なうえ、小型軽量(liàng)で取付け空間が少ない。
・カップリング撓みによる二軸間の回転角にずれがない。
【用途】
・軸継手用、高速用、重荷重用として最適。
蘇州91精品国产综合久久久久久機電設備設備有限公司銷(xiāo)售電話:17895046997 劉經理


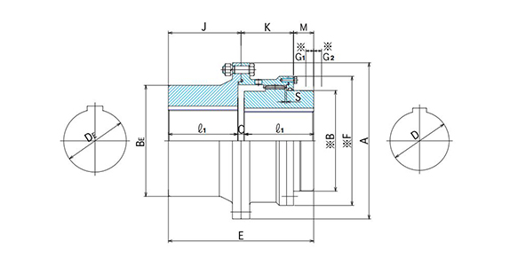
寸法図
| 形番 | 各部寸法(mm) | 貯油量 (l) | 質量 (kg) | GD2 (kgf・m2) | |||||||||
|---|---|---|---|---|---|---|---|---|---|---|---|---|---|
| 外徑 (mm) A | E | l1 | C | K | M | J | BE | S | G1 | G2 | |||
| 450 | 418 | 200 | 18 | 151 | 58 | 209 | 320 | 5 | -3 | 80 | 2.1 | 304 | 18.2 |
| 500 | 494 | 236 | 22 | 168 | 79 | 247 | 380 | 6 | 10 | 80 | 3.1 | 453 | 37.0 |
| 560 | 552 | 265 | 22 | 187 | 89 | 276 | 430 | 6.5 | 7 | 80 | 3.8 | 664 | 70.0 |
| 630 | 658 | 315 | 28 | 213 | 116 | 329 | 500 | 8 | 17 | 80 | 5.8 | 1020 | 139 |
| 形番 | 回転數(rpm) | ||||||||||
|---|---|---|---|---|---|---|---|---|---|---|---|
| 1 | 10 | 50 | 75 | 100 | 250 | 500 | 1000 | 1200 | 1500 | ||
| 450 | 強力形(xíng) | 18.2 174 | 182 174 | 912 174 | 1370 174 | 1820 174 | 4290 164 | 7780 149 | 13700 131 | 15900 126 | 18900 120 |
| 500 | 強力形 | 27.4 262 | 274 262 | 1370 262 | 2060 262 | 2740 262 | 6350 243 | 11400 219 | 20100 192 | 23200 184 | 27500 175 |
| 560 | 強力形 | 42.6 408 | 426 408 | 2130 408 | 3200 408 | 4260 408 | 9600 367 | 17200 329 | 30100 287 | 34600 276 | |
| 630 | 強力形 | 60.8 581 | 608 581 | 3040 581 | 4560 581 | 6080 581 | 15200 581 | 27500 526 | 47700 456 | 54900 437 | |
蘇州上(shàng)野機電設備有限公司銷售型號:
| RCL112 | RCL112 | RCL112 | RCL112 |
| RCL125 | RCL125 | RCL125 | RCL125 |
| RCL140 | RCL140 | RCL140 | RCL140 |
| RCL160 | RCL160 | RCL160 | RCL160 |
| RCL180 | RCL180 | RCL180 | RCL180 |
| RCL200 | RCL200 | RCL200 | RCL200 |
| RCL224 | RCL224 | RCL224 | RCL224 |
| RCL250 | RCL250 | RCL250 | RCL250 |
| RCL280 | RCL280 | RCL280 | RCL280 |
| RCL315 | RCL315 | RCL315 | RCL315 |
| RCL355 | RCL355 | RCL355 | RCL355 |
| RCL355S | RCL355S | RCL355S | RCL355S |
| RCL400S | RCL400S | RCL400S | RCL400S |
| RCL450S | RCL450S | RCL450S | RCL450S |
| RCL475S | RCL475S | RCL475S | RCL475S |
| RCL500S | RCL500S | RCL500S | RCL500S |
| RCL560S | RCL560S | RCL560S | RCL560S |
| GC-SEM112 | GC-SEM112 | GC-SEM112 | GC-SEM112 |
| GC-SEM125 | GC-SEM125 | GC-SEM125 | GC-SEM125 |
| GC-SEM140 | GC-SEM140 | GC-SEM140 | GC-SEM140 |
| GC-SEM160 | GC-SEM160 | GC-SEM160 | GC-SEM160 |
| GC-SEM180 | GC-SEM180 | GC-SEM180 | GC-SEM180 |
| GC-SEM200 | GC-SEM200 | GC-SEM200 | GC-SEM200 |
| GC-SEM224 | GC-SEM224 | GC-SEM224 | GC-SEM224 |
| GC-SEM250 | GC-SEM250 | GC-SEM250 | GC-SEM250 |
| GC-SEM280 | GC-SEM280 | GC-SEM280 | GC-SEM280 |
| GC-SEM315 | GC-SEM315 | GC-SEM315 | GC-SEM315 |
| GC-SEM355 | GC-SEM355 | GC-SEM355 | GC-SEM355 |
| GC-SEM400 | GC-SEM400 | GC-SEM400 | GC-SEM400 |
| GC-EEM100 | GC-EEM100 | GC-EEM100 | GC-EEM100 |
| GC-EEM112 | GC-EEM112 | GC-EEM112 | GC-EEM112 |
| GC-EEM125 | GC-EEM125 | GC-EEM125 | GC-EEM125 |
| GC-EEM140 | GC-EEM140 | GC-EEM140 | GC-EEM140 |
| GC-EEM160 | GC-EEM160 | GC-EEM160 | GC-EEM160 |
| GC-EEM180 | GC-EEM180 | GC-EEM180 | GC-EEM180 |
| GC-EEM200 | GC-EEM200 | GC-EEM200 | GC-EEM200 |
| GC-EEM224 | GC-EEM224 | GC-EEM224 | GC-EEM224 |
| GC-EEM250 | GC-EEM250 | GC-EEM250 | GC-EEM250 |
| GC-EEM280 | GC-EEM280 | GC-EEM280 | GC-EEM280 |
| GC-EEM315 | GC-EEM315 | GC-EEM315 | GC-EEM315 |
| GC-EEM355 | GC-EEM355 | GC-EEM355 | GC-EEM355 |
| GC-EEM400 | GC-EEM400 | GC-EEM400 | GC-EEM400 |
| GC-CEMH450 | GC-CEMH450 | GC-CEMH450 | GC-CEMH450 |
| GC-CEMH500 | GC-CEMH500 | GC-CEMH500 | GC-CEMH500 |
| GC-CEMH560 | GC-CEMH560 | GC-CEMH560 | GC-CEMH560 |
| GC-CEMH630 | GC-CEMH630 | GC-CEMH630 | GC-CEMH630 |
| SCL112 | SCL112 | SCL112 | SCL112 |
| SCL125 | SCL125 | SCL125 | SCL125 |
| SCL140 | SCL140 | SCL140 | SCL140 |
| SCL160 | SCL160 | SCL160 | SCL160 |
| SCL180 | SCL180 | SCL180 | SCL180 |
| SCL200 | SCL200 | SCL200 | SCL200 |
| SCL224 | SCL224 | SCL224 | SCL224 |
| SCL250 | SCL250 | SCL250 | SCL250 |
| SCL280 | SCL280 | SCL280 | SCL280 |
| SCL315 | SCL315 | SCL315 | SCL315 |
| SCL355 | SCL355 | SCL355 | SCL355 |
| SCL400 | SCL400 | SCL400 | SCL400 |
| SCL450 | SCL450 | SCL450 | SCL450 |
| SCL580 | SCL580 | SCL580 | SCL580 |
| SCL630 | SCL630 | SCL630 | SCL630 |
| SRCL112 | SRCL112 | SRCL112 | SRCL112 |
| SRCL125 | SRCL125 | SRCL125 | SRCL125 |
| SRCL140 | SRCL140 | SRCL140 | SRCL140 |
| SRCL160 | SRCL160 | SRCL160 | SRCL160 |
| SRCL180 | SRCL180 | SRCL180 | SRCL180 |
| SRCL200 | SRCL200 | SRCL200 | SRCL200 |
| SRCL224 | SRCL224 | SRCL224 | SRCL224 |
| SRCL250 | SRCL250 | SRCL250 | SRCL250 |
| SRCL280 | SRCL280 | SRCL280 | SRCL280 |
| SRCL315 | SRCL315 | SRCL315 | SRCL315 |
| SRCL355 | SRCL355 | SRCL355 | SRCL355 |
微信二維碼
官網二維碼
版權歸蘇州上(shàng)野機電設備有限公司所有蘇ICP備16035515號 技術支持:易動力(lì)網絡